晶振官方博客
更多>>HCMOS/TTL時鐘振蕩器CB3LV-3I-66M0000非常適合任何應用程序
來源:http://www.zzlyqc.cn 作者:康華爾電子 2023年06月12
CTS晶振CB3LV型號,是一款小體積晶振尺寸7.0x5.0mm陶瓷封裝時鐘振蕩器,四腳貼片晶振,有源晶振,石英晶體振蕩器,HCMOS/TTL時鐘振蕩器,提供更小尺寸和增強的穩定性。較小的尺寸意味著它非常適合任何應用程序。增強的穩定性意味著它是當今需要嚴格的頻率控制的通信應用程序的完美選擇。有源晶振,應用包括數字視頻、網絡設備、無線通信、 寬帶接入、以太網/千兆以太網、微處理器/DSP/FPGA、存儲區域網絡、光纖通道, 計算機和外設、測試和測量、SONET/SDH/DWDM、基站和微微蜂窩。HCMOS/TTL時鐘振蕩器CB3LV-3I-66M0000非常適合任何應用程序


HCMOS/TTL時鐘振蕩器CB3LV-3I-66M0000非常適合任何應用程序
| 貼片石英晶振 | 品牌 | 型號 | 頻率 | 頻率穩定度 | 包裝/封裝 |
| CB3LV-3C-25M0000 | CTS晶振 | CB3LV | 25MHz | ±50ppm | 4-SMD, No Lead |
| CB3LV-3I-50M0000 | CTS晶振 | CB3LV | 50MHz | ±50ppm | 4-SMD, No Lead |
| CB3LV-3C-50M0000 | CTS晶振 | CB3LV | 50MHz | ±50ppm | 4-SMD, No Lead |
| CB3LV-3I-30M0000 | CTS晶振 | CB3LV | 30MHz | ±50ppm | 4-SMD, No Lead |
| CB3LV-3I-20M0000 | CTS晶振 | CB3LV | 20MHz | ±50ppm | 4-SMD, No Lead |
| CB3LV-3C-4M0000 | CTS晶振 | CB3LV | 4MHz | ±50ppm | 4-SMD, No Lead |
| CB3LV-3C-12M2880 | CTS晶振 | CB3LV | 12.288MHz | ±50ppm | 4-SMD, No Lead |
| CB3LV-3C-20M0000 | CTS晶振 | CB3LV | 20MHz | ±50ppm | 4-SMD, No Lead |
| CB3LV-3I-25M0000 | CTS晶振 | CB3LV | 25MHz | ±50ppm | 4-SMD, No Lead |
| CB3LV-3I-48M0000 | CTS晶振 | CB3LV | 48MHz | ±50ppm | 4-SMD, No Lead |
| CB3LV-3C-24M0000 | CTS晶振 | CB3LV | 24MHz | ±50ppm | 4-SMD, No Lead |
| CB3LV-3I-8M0000 | CTS晶振 | CB3LV | 8MHz | ±50ppm | 4-SMD, No Lead |
| CB3LV-3I-8M1920 | CTS晶振 | CB3LV | 8.192MHz | ±50ppm | 4-SMD, No Lead |
| CB3LV-3C-40M0000 | CTS晶振 | CB3LV | 40MHz | ±50ppm | 4-SMD, No Lead |
| CB3LV-3I-12M0000 | CTS晶振 | CB3LV | 12MHz | ±50ppm | 4-SMD, No Lead |
| CB3LV-3I-24M0000 | CTS晶振 | CB3LV | 24MHz | ±50ppm | 4-SMD, No Lead |
| CB3LV-3I-10M0000 | CTS晶振 | CB3LV | 10MHz | ±50ppm | 4-SMD, No Lead |
| CB3LV-3C-8M0000 | CTS晶振 | CB3LV | 8MHz | ±50ppm | 4-SMD, No Lead |
| CB3LV-3C-10M0000 | CTS晶振 | CB3LV | 10MHz | ±50ppm | 4-SMD, No Lead |
| CB3LV-3C-12M0000 | CTS晶振 | CB3LV | 12MHz | ±50ppm | 4-SMD, No Lead |
| CB3LV-3C-29M4912 | CTS晶振 | CB3LV | 29.4912MHz | ±50ppm | 4-SMD, No Lead |
| CB3LV-3C-30M0000 | CTS晶振 | CB3LV | 30MHz | ±50ppm | 4-SMD, No Lead |
| CB3LV-3C-48M0000 | CTS晶振 | CB3LV | 48MHz | ±50ppm | 4-SMD, No Lead |
| CB3LV-3C-60M0000 | CTS晶振 | CB3LV | 60MHz | ±50ppm | 4-SMD, No Lead |
| CB3LV-3I-27M0000 | CTS晶振 | CB3LV | 27MHz | ±50ppm | 4-SMD, No Lead |
| CB3LV-3C-1M5440 | CTS晶振 | CB3LV | 1.544MHz | ±50ppm | 4-SMD, No Lead |
| CB3LV-3C-32M0000 | CTS晶振 | CB3LV | 32MHz | ±50ppm | 4-SMD, No Lead |
| CB3LV-3C-33M3330 | CTS晶振 | CB3LV | 33.333MHz | ±50ppm | 4-SMD, No Lead |
| CB3LV-3C-45M0000 | CTS晶振 | CB3LV | 45MHz | ±50ppm | 4-SMD, No Lead |
| CB3LV-3I-18M4320 | CTS晶振 | CB3LV | 18.432MHz | ±50ppm | 4-SMD, No Lead |
| CB3LV-3I-33M0000 | CTS晶振 | CB3LV | 33MHz | ±50ppm | 4-SMD, No Lead |
| CB3LV-3I-24M5760 | CTS晶振 | CB3LV | 24.576MHz | ±50ppm | 4-SMD, No Lead |
| CB3LV-3I-60M0000 | CTS晶振 | CB3LV | 60MHz | ±50ppm | 4-SMD, No Lead |
| CB3LV-3I-3M579545 | CTS晶振 | CB3LV | 3.579545MHz | ±50ppm | 4-SMD, No Lead |
| CB3LV-3I-16M0000 | CTS晶振 | CB3LV | 16MHz | ±50ppm | 4-SMD, No Lead |
| CB3LV-3I-66M0000 | CTS晶振 | CB3LV | 66MHz | ±50ppm | 4-SMD, No Lead |
| CB3LV-5I-20M0000 | CTS晶振 | CB3LV | 20MHz | ±25ppm | 4-SMD, No Lead |
| CB3LV-3C-64M0000 | CTS晶振 | CB3LV | 64MHz | ±50ppm | 4-SMD, No Lead |
| CB3LV-3C-66M6666 | CTS晶振 | CB3LV | 66.6666MHz | ±50ppm | 4-SMD, No Lead |
| CB3LV-5I-27M0000 | CTS晶振 | CB3LV | 27MHz | ±25ppm | 4-SMD, No Lead |
| CB3LV-3C-80M0000 | CTS晶振 | CB3LV | 80MHz | ±50ppm | 4-SMD, No Lead |
| CB3LV-3I-32M0000 | CTS晶振 | CB3LV | 32MHz | ±50ppm | 4-SMD, No Lead |
| CB3LV-3I-33M3333 | CTS晶振 | CB3LV | 33.3333MHz | ±50ppm | 4-SMD, No Lead |
| CB3LV-3C-14M31818 | CTS晶振 | CB3LV | 14.31818MHz | ±50ppm | 4-SMD, No Lead |
| CB3LV-3C-49M1520 | CTS晶振 | CB3LV | 49.152MHz | ±50ppm | 4-SMD, No Lead |
| CB3LV-3C-15M3600 | CTS晶振 | CB3LV | 15.36MHz | ±50ppm | 4-SMD, No Lead |
| CB3LV-3I-40M0000 | CTS晶振 | CB3LV | 40MHz | ±50ppm | 4-SMD, No Lead |
| CB3LV-3I-32M7680 | CTS晶振 | CB3LV | 32.768MHz | ±50ppm | 4-SMD, No Lead |
| CB3LV-3I-4M0000 | CTS晶振 | CB3LV | 4MHz | ±50ppm | 4-SMD, No Lead |
| CB3LV-3C-19M4400 | CTS晶振 | CB3LV | 19.44MHz | ±50ppm | 4-SMD, No Lead |
| CB3LV-3C-20M4800 | CTS晶振 | CB3LV | 20.48MHz | ±50ppm | 4-SMD, No Lead |
| CB3LV-3C-3M6864 | CTS晶振 | CB3LV | 3.6864MHz | ±50ppm | 4-SMD, No Lead |
| CB3LV-3I-11M0592 | CTS晶振 | CB3LV | 11.0592MHz | ±50ppm | 4-SMD, No Lead |
| CB3LV-3C-18M4320 | CTS晶振 | CB3LV | 18.432MHz | ±50ppm | 4-SMD, No Lead |
| CB3LV-3I-14M7456 | CTS晶振 | CB3LV | 14.7456MHz | ±50ppm | 4-SMD, No Lead |
| CB3LV-3I-2M0480 | CTS晶振 | CB3LV | 2.048MHz | ±50ppm | 4-SMD, No Lead |
| CB3LV-3I-7M3728 | CTS晶振 | CB3LV | 7.3728MHz | ±50ppm | 4-SMD, No Lead |
| CB3LV-3I-16M3840 | CTS晶振 | CB3LV | 16.384MHz | ±50ppm | 4-SMD, No Lead |
| CB3LV-5C-33M3330 | CTS晶振 | CB3LV | 33.333MHz | ±25ppm | 4-SMD, No Lead |
| CB3LV-5C-20M0000 | CTS晶振 | CB3LV | 20MHz | ±25ppm | 4-SMD, No Lead |
| CB3LV-5C-60M0000 | 貼片晶振 | CB3LV | 60MHz | ±25ppm | 4-SMD, No Lead |
| CB3LV-5C-25M0000 | CTS晶振 | CB3LV | 25MHz | ±25ppm | 4-SMD, No Lead |
| CB3LV-5I-16M3840 | CTS晶振 | CB3LV | 16.384MHz | ±25ppm | 4-SMD, No Lead |
| CB3LV-3C-74M2500 | CTS晶振 | CB3LV | 74.25MHz | ±50ppm | 4-SMD, No Lead |
| CB3LV-5I-25M0000 | CTS晶振 | CB3LV | 25MHz | ±25ppm | 4-SMD, No Lead |
| CB3LV-3C-66M0000 | CTS晶振 | CB3LV | 66MHz | ±50ppm | 4-SMD, No Lead |
| CB3LV-5I-40M9600 | CTS晶振 | CB3LV | 40.96MHz | ±25ppm | 4-SMD, No Lead |
| CB3LV-3I-64M0000 | CTS晶振 | CB3LV | 64MHz | ±50ppm | 4-SMD, No Lead |
| CB3LV-3I-65M5360 | CTS晶振 | CB3LV | 65.536MHz | ±50ppm | 4-SMD, No Lead |
| CB3LV-5I-10M0000 | CTS晶振 | CB3LV | 10MHz | ±25ppm | 4-SMD, No Lead |
| CB3LV-3C-72M0000 | CTS晶振 | CB3LV | 72MHz | ±50ppm | 4-SMD, No Lead |
| CB3LV-3I-75M0000 | CTS晶振 | CB3LV | 75MHz | ±50ppm | 4-SMD, No Lead |
| CB3LV-5I-14M3180 | CTS晶振 | CB3LV | 14.318MHz | ±25ppm | 4-SMD, No Lead |
| CB3LV-3I-80M0000 | CTS晶振 | CB3LV | 80MHz | ±50ppm | 4-SMD, No Lead |
| CB3LV-3I-100M0000 | CTS晶振 | CB3LV | 100MHz | ±50ppm | 4-SMD, No Lead |
| CB3LV-3I-106M2500 | CTS晶振 | CB3LV | 106.25MHz | ±50ppm | 4-SMD, No Lead |
| CB3LV-5I-100M0000 | CTS晶振 | CB3LV | 100MHz | ±25ppm | 4-SMD, No Lead |
| CB3LV-3I-125M0000 | CTS晶振 | CB3LV | 125MHz | ±50ppm | 4-SMD, No Lead |
| CB3LV-5I-125M0000 | CTS晶振 | CB3LV | 125MHz | ±25ppm | 4-SMD, No Lead |
| CB3LV-3I-133M3300 | CTS晶振 | CB3LV | 133.33MHz | ±50ppm | 4-SMD, No Lead |
| CB3LV-3C-133M0000 | CTS晶振 | CB3LV | 133MHz | ±50ppm | 4-SMD, No Lead |
| CB3LV-3C-100M0000 | CTS晶振 | CB3LV | 100MHz | ±50ppm | 4-SMD, No Lead |
| CB3LV-3C-125M0000 | CTS晶振 | CB3LV | 125MHz | ±50ppm | 4-SMD, No Lead |
| CB3LV-3I-156M2500 | CTS晶振 | CB3LV | 156.25MHz | ±50ppm | 4-SMD, No Lead |
| CB3LV-3I-160M0000 | CTS晶振 | CB3LV | 160MHz | ±50ppm | 4-SMD, No Lead |
| CB3LV-3C-28M3220 | CTS晶振 | CB3LV | 28.322MHz | ±50ppm | 4-SMD, No Lead |
| CB3LV-3C-7M3728 | CTS晶振 | CB3LV | 7.3728MHz | ±50ppm | 4-SMD, No Lead |
| CB3LV-3C-12M3520 | CTS晶振 | CB3LV | 12.352MHz | ±50ppm | 4-SMD, No Lead |
| CB3LV-3C-16M0000 | CTS晶振 | CB3LV | 16MHz | ±50ppm | 4-SMD, No Lead |
| CB3LV-3I-26M0000 | CTS晶振 | CB3LV | 26MHz | ±50ppm | 4-SMD, No Lead |
| CB3LV-3C-16M3840 | CTS晶振 | CB3LV | 16.384MHz | ±50ppm | 4-SMD, No Lead |
| CB3LV-3I-12M2880 | CTS晶振 | CB3LV | 12.288MHz | ±50ppm | 4-SMD, No Lead |
| CB3LV-3C-1M8432 | CTS晶振 | CB3LV | 1.8432MHz | ±50ppm | 4-SMD, No Lead |
| CB3LV-3C-24M5760 | CTS晶振 | CB3LV | 24.576MHz | ±50ppm | 4-SMD, No Lead |
| CB3LV-3C-32M7680 | CTS晶振 | CB3LV | 32.768MHz | ±50ppm | 4-SMD, No Lead |
| CB3LV-3I-14M31818 | CTS晶振 | CB3LV | 14.31818MHz | ±50ppm | 4-SMD, No Lead |
| CB3LV-3C-33M0000 | CTS晶振 | CB3LV | 33MHz | ±50ppm | 4-SMD, No Lead |
| CB3LV-3I-1M8432 | CTS晶振 | CB3LV | 1.8432MHz | ±50ppm | 4-SMD, No Lead |
| CB3LV-3I-3M6864 | CTS晶振 | CB3LV | 3.6864MHz | ±50ppm | 4-SMD, No Lead |
| CB3LV-5C-27M0000 | CTS晶振 | CB3LV | 27MHz | ±25ppm | 4-SMD, No Lead |
| CB3LV-5C-50M0000 | CTS晶振 | CB3LV | 50MHz | ±25ppm | 4-SMD, No Lead |
| CB3LV-3I-74M2500 | CTS晶振 | CB3LV | 74.25MHz | ±50ppm | 4-SMD, No Lead |
| CB3LV-5I-16M0000 | CTS晶振 | CB3LV | 16MHz | ±25ppm | 4-SMD, No Lead |
| CB3LV-5I-36M0000 | CTS晶振 | CB3LV | 36MHz | ±25ppm | 4-SMD, No Lead |
| CB3LV-3I-66M6660 | CTS晶振 | CB3LV | 66.666MHz | ±50ppm | 4-SMD, No Lead |
| CB3LV-5I-40M0000 | CTS晶振 | CB3LV | 40MHz | ±25ppm | 4-SMD, No Lead |
| CB3LV-5I-50M0000 | CTS晶振 | CB3LV | 50MHz | ±25ppm | 4-SMD, No Lead |
| CB3LV-3C-6M1760 | CTS晶振 | CB3LV | 6.176MHz | ±50ppm | 4-SMD, No Lead |
| CB3LV-3C-24M7040 | CTS晶振 | CB3LV | 24.704MHz | ±50ppm | 4-SMD, No Lead |
| CB3LV-3C-44M7360 | CTS晶振 | CB3LV | 44.736MHz | ±50ppm | 4-SMD, No Lead |
| CB3LV-3C-51M8400 | CTS晶振 | CB3LV | 51.84MHz | ±50ppm | 4-SMD, No Lead |
| CB3LV-3I-19M4400 | CTS晶振 | CB3LV | 19.44MHz | ±50ppm | 4-SMD, No Lead |
| CB3LV-3I-44M7360 | CTS晶振 | CB3LV | 44.736MHz | ±50ppm | 4-SMD, No Lead |
| CB3LV-3I-29M4912 | 進口晶振 | CB3LV | 29.4912MHz | ±50ppm | 4-SMD, No Lead |
| CB3LV-2C-10M0000 | CTS晶振 | CB3LV | 10MHz | ±100ppm | 4-SMD, No Lead |
| CB3LV-2C-12M0000 | CTS晶振 | CB3LV | 12MHz | ±100ppm | 4-SMD, No Lead |
| CB3LV-2C-12M2880 | CTS晶振 | CB3LV | 12.288MHz | ±100ppm | 4-SMD, No Lead |
| CB3LV-2C-14M31818 | CTS晶振 | CB3LV | 14.31818MHz | ±100ppm | 4-SMD, No Lead |
| CB3LV-2C-14M7456 | CTS晶振 | CB3LV | 14.7456MHz | ±100ppm | 4-SMD, No Lead |
| CB3LV-2C-15M0000 | CTS晶振 | CB3LV | 15MHz | ±100ppm | 4-SMD, No Lead |
| CB3LV-2C-16M3840 | CTS晶振 | CB3LV | 16.384MHz | ±100ppm | 4-SMD, No Lead |
| CB3LV-2C-18M4320 | CTS晶振 | CB3LV | 18.432MHz | ±100ppm | 4-SMD, No Lead |
| CB3LV-2C-1M8432 | CTS晶振 | CB3LV | 1.8432MHz | ±100ppm | 4-SMD, No Lead |
| CB3LV-2C-20M0000 | CTS晶振 | CB3LV | 20MHz | ±100ppm | 4-SMD, No Lead |
| CB3LV-2C-24M0000 | CTS晶振 | CB3LV | 24MHz | ±100ppm | 4-SMD, No Lead |
| CB3LV-2C-24M5760 | CTS晶振 | CB3LV | 24.576MHz | ±100ppm | 4-SMD, No Lead |
| CB3LV-2C-27M0000 | CTS晶振 | CB3LV | 27MHz | ±100ppm | 4-SMD, No Lead |
| CB3LV-2C-32M0000 | CTS晶振 | CB3LV | 32MHz | ±100ppm | 4-SMD, No Lead |
| CB3LV-2C-32M7680 | CTS晶振 | CB3LV | 32.768MHz | ±100ppm | 4-SMD, No Lead |
| CB3LV-2C-33M0000 | CTS晶振 | CB3LV | 33MHz | ±100ppm | 4-SMD, No Lead |
| CB3LV-2C-33M3300 | CTS晶振 | CB3LV | 33.33MHz | ±100ppm | 4-SMD, No Lead |
| CB3LV-2C-33M3330 | CTS晶振 | CB3LV | 33.333MHz | ±100ppm | 4-SMD, No Lead |
| CB3LV-2C-33M3333 | CTS晶振 | CB3LV | 33.3333MHz | ±100ppm | 4-SMD, No Lead |
| CB3LV-2C-35M0210 | CTS晶振 | CB3LV | 35.021MHz | ±100ppm | 4-SMD, No Lead |
| CB3LV-2C-36M0000 | CTS晶振 | CB3LV | 36MHz | ±100ppm | 4-SMD, No Lead |
| CB3LV-2C-3M6864 | CTS晶振 | CB3LV | 3.6864MHz | ±100ppm | 4-SMD, No Lead |
| CB3LV-2C-40M0000 | CTS晶振 | CB3LV | 40MHz | ±100ppm | 4-SMD, No Lead |
| CB3LV-2C-45M0000 | CTS晶振 | CB3LV | 45MHz | ±100ppm | 4-SMD, No Lead |
| CB3LV-2C-48M0000 | CTS晶振 | CB3LV | 48MHz | ±100ppm | 4-SMD, No Lead |
| CB3LV-2C-4M0000 | CTS晶振 | CB3LV | 4MHz | ±100ppm | 4-SMD, No Lead |

HCMOS/TTL時鐘振蕩器CB3LV-3I-66M0000非常適合任何應用程序
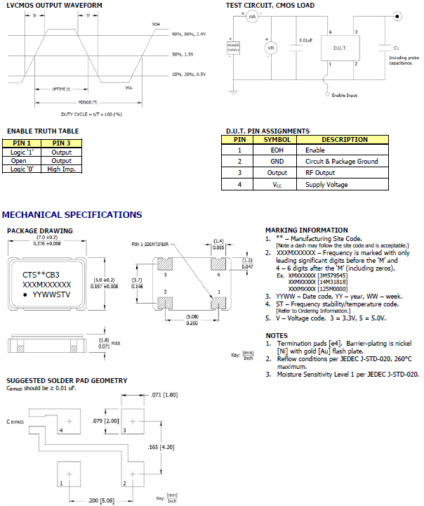
CB3LV晶振特征:
標準尺寸:7.0mmx5.0mm 4襯墊表面安裝組件
HCMOS/TTL兼容輸出
基礎和第三序曲水晶設計
頻率范圍1–200MHz石英晶體振蕩器
頻率穩定性±50ppm標準、±25ppm和±20ppm可用
工作電壓+5.0Vdc或+3.3Vdc
工作溫度至-40°C至+85°C
輸出啟用標準
磁帶和卷軸包裝
符合RoHS/綠色標準(6/6)
正在載入評論數據...
此文關鍵字: 晶振振蕩器
相關資訊
- [2025-06-24]Greenray插件YH1300恒溫晶振OCXO的輸出...
- [2024-03-14]RTV119系列性能超強的溫補晶振由安德森...
- [2024-03-14]IQD最新推出IQXC-26系列體積超小耐輻射...
- [2024-03-12]Pletronics晶振最新推出的OSN4系列恒溫...
- [2024-03-08]回顧Bliley晶振八十多年的歷史進程
- [2024-03-08]Bliley如何測量并減少晶振老化帶來的影...
- [2024-03-07]Crystek行業標桿壓控晶振CVCO33BE-2352...
- [2023-09-28]遙遙領先的GEYER晶振跟大家一起探討尺寸...
- [2023-09-26]領先全球的HELE晶振帶你了解從原始石英...
- [2023-09-23]領先全球的Renesas Electronics Corpor...
- [2023-09-21]遙遙領先的Skyworks電子晶振有助于加快...
- [2023-09-19]關于遙遙領先的Skyworks Electronics公...


銷售代表
售后服務