產品系列
- 32.768KHz
- 石英晶振
- 貼片晶振
- 聲表面濾波器
- 陶瓷晶振
- 陶瓷霧化片
- 陶瓷濾波器
- 微孔霧化片
- CTS晶振
- KDS晶振
- 愛普生晶振
- 西鐵城晶振
- 精工晶體
- 村田晶振
- 京瓷晶振
- DST310S晶振
- 日本大河晶體
- NDK晶振
- 亞陶晶振
- 日本富士晶振
- NAKA晶振
- SMI晶振
- NKG晶振
- NJR晶振
- Q-Tech晶振
- ABRACON晶振
- VECTRON晶振
- JAUCH晶振
- ConnorWinfield晶振
- Rakon晶振
- ECS晶振
- Greenray晶振
- ECLIPTEK晶振
- GOLLEDGE晶振
- STATEK晶振
- Pletronics晶振
- SITIME晶振
- Microcrystal晶振
- RALTRON晶振
- AEK晶振
- AEL晶振
- ILSI晶振
- FOX晶振
- fujicom晶振
- CRYSTEK晶振
- interquip晶振
- Geyer晶振
- quartzcom晶振
- qantek晶振
- EUROQUARTZ晶振
- quarztechnik晶振
- Cardinal晶振
- FRE-TECH晶振
- KVG晶振
- wi2wi晶振
- Transko晶振
- suntsu晶振
- mmdcomp晶振
- MERCURY晶振
- MTRONPTI晶振
- ACT晶振
- MTI晶振
- Lihom晶振
- Rubyquartz晶振
- Oscilent晶振
- SHINSUNG晶振
- ITTI晶振
- PDI晶振
- IQD晶振
- Microchip晶振
- Silicon晶振
- Anderson晶振
- Fortiming晶振
- CORE晶振
- NIPPON晶振
- NIC晶振
- QVS晶振
- Bomar晶振
- Bliley晶振
- GED晶振
- FILTRONETICS晶振
- STD晶振
- Wenzel晶振
- NEL晶振
- EM晶振
- PETERMANN晶振
- FCD-Tech晶振
- HEC晶振
- FMI晶振
- Macrobizes晶振
- AXTAL晶振
- SUNNY晶振
- ARGO晶振
- Renesas瑞薩晶振
- SKYWORKS晶振
- NSK晶振
- 臺灣加高諧振器
- 臺灣鴻星晶體
- TXC晶振
- 臺灣希華晶振
- 臺灣泰藝晶體
- AKER晶振
晶振廠家
進口晶振
歐美晶振
臺產晶振
Tel:0755-27838351
Add:廣東深圳市寶安區67區留仙一路甲岸科技園3棟5樓
Email:konuaer@163.com
QQ:632862232
晶振官方博客
更多>>.jpg)

Skyworks晶振,545ABA125M000AAG,差分貼片晶振,6G基站晶振 ,Skyworks晶振,Si545石英晶體振蕩器,545ABA125M000AAG晶振,差分貼片晶振,7050mm晶振,頻率125MHz,電壓3.3V,工作溫度-40~85°C,頻率穩定性25ppm,LVPECL輸出晶振,高穩定性晶振,低耗能晶振,6G基站晶振,無線網絡應用晶振,實時時鐘晶振,多媒體設備晶振.
Skyworks晶振,545ABA125M000AAG,差分貼片晶振,6G基站晶振特點:
●可與任何頻率從0.2MHz ~ 1500mhz
●超低抖動:80 fs類型RMS(12 kHz - 20 MHz)
●出色的PSNR和電源抗噪性:-80 dBc類型
●7 ppm穩定性選項(-40至85°C)
●3.3 V, 2.5 V和1.8 V VDD供電操作從相同的零件號
●LVPECL, LVDS, CML, HCSL, CMOS,和雙CMOS輸出選項
●2.5×3.2、3.2×5、5×7 mm包選項
●樣品交付周期為1-2周
.gif)
Skyworks晶振,545ABA125M000AAG,差分貼片晶振,6G基站晶振參數表
| 項目 | 符號 | 規格說明 | 條件 |
| 額定頻率 | f_nom | 125MHz | 請聯系我們以便獲取其它可用頻率的相關信息 |
| 電源電壓 | Vcc | 3.3V | |
| 儲存溫度 | T_stg | -55℃~+125℃ | 裸存 |
| 工作溫度 | T_use | -40℃~ +85℃ | |
| 頻率穩定性 | f_tol | ±25 ppm | +25℃,超出標準的規格說明請聯系我們以便獲取相關信息 |
| 電源電流 | IDD | 153mA Max |
LVPECL
|
| 對稱性(占空比) | SYM | 45%~55% | 在輸出交叉點 |
| 輸出電壓 | VOC | 1.25V Max |
|
| VO | 1.9Vpp Max | ||
| 輸入電壓 | VIH | 70%VDD Min |
|
| VIL | 30%VDD Max | ||
| 上升下降時間 | tr/tf | 350ps Max |
LVPECL
|
| 起始時間 | t str | 3ms Max | |
| 相位抖動 | tpj | 150fs Max |
100 MHz ≤ FCLK < 200 MHz
|
.gif)
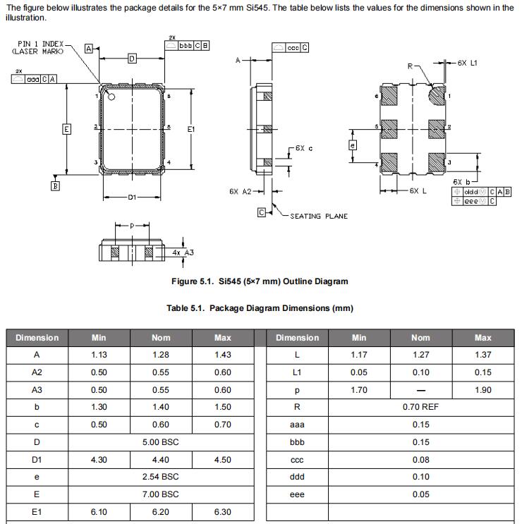
Skyworks晶振,545ABA125M000AAG,差分貼片晶振,6G基站晶振尺寸圖

| 原廠編碼 | 品牌 | 型號 | 頻率 | 輸出 | 電壓 | 頻率穩定性 |
| 545BAA200M000BBG | Skyworks Solutions Inc. | Ultra™ Si545 | 200 MHz | LVDS | 1.8V, 2.5V, 3.3V | ±20ppm |
| 545BAA000127BBG | Skyworks Solutions Inc. | Ultra™ Si545 | 644.53125 MHz | LVDS | 1.8V, 2.5V, 3.3V | ±20ppm |
| 545AAA125M000BAG | Skyworks Solutions Inc. | Ultra™ Si545 | 125 MHz | LVPECL | 2.5V, 3.3V | ±20ppm |
| 545BCA000127BBG | Skyworks Solutions Inc. | Ultra™ Si545 | 644.53125 MHz | LVDS | 1.8V, 2.5V, 3.3V | ±7ppm |
| 545AAA40M8000BBGR | Skyworks Solutions Inc. | Ultra™ Si545 | 40.8 MHz | LVPECL | 2.5V, 3.3V | ±20ppm |
| 545AAA50M0000BBGR | Skyworks Solutions Inc. | Ultra™ Si545 | 50 MHz | LVPECL | 2.5V, 3.3V | ±20ppm |
| 545AAC100M000BBGR | Skyworks Solutions Inc. | Ultra™ Si545 | 100 MHz | LVPECL | 2.5V, 3.3V | ±20ppm |
| 545BAA100M000ABGR | Skyworks Solutions Inc. | Ultra™ Si545 | 100 MHz | LVDS | 1.8V, 2.5V, 3.3V | ±20ppm |
| 545BAA106M250ABGR | Skyworks Solutions Inc. | Ultra™ Si545 | 106.25 MHz | LVDS | 1.8V, 2.5V, 3.3V | ±20ppm |
| 545BAA25M0000BBGR | Skyworks Solutions Inc. | Ultra™ Si545 | 25 MHz | LVDS | 1.8V, 2.5V, 3.3V | ±20ppm |
| 545BAA40M2500ABGR | Skyworks Solutions Inc. | Ultra™ Si545 | 40.25 MHz | LVDS | 1.8V, 2.5V, 3.3V | ±20ppm |
| 545BAA52M0000BBGR | Skyworks Solutions Inc. | Ultra™ Si545 | 52 MHz | LVDS | 1.8V, 2.5V, 3.3V | ±20ppm |
| 545BAA80M0000BBGR | Skyworks Solutions Inc. | Ultra™ Si545 | 80 MHz | LVDS | 1.8V, 2.5V, 3.3V | ±20ppm |
| 545BAB100M000BBGR | Skyworks Solutions Inc. | Ultra™ Si545 | 100 MHz | LVDS | 1.8V, 2.5V, 3.3V | ±20ppm |
| 545BAB122M880ABGR | Skyworks Solutions Inc. | Ultra™ Si545 | 122.88 MHz | LVDS | 1.8V, 2.5V, 3.3V | ±20ppm |
| 545CAA100M000ABGR | Skyworks Solutions Inc. | Ultra™ Si545 | 100 MHz | CMOS | 1.8V, 2.5V, 3.3V | ±20ppm |
| 545CAA100M000BBGR | Skyworks Solutions Inc. | Ultra™ Si545 | 100 MHz | CMOS | 1.8V, 2.5V, 3.3V | ±20ppm |
| 545CAA25M0000ABGR | Skyworks Solutions Inc. | Ultra™ Si545 | 25 MHz | CMOS | 1.8V, 2.5V, 3.3V | ±20ppm |
| 545CAA33M8688BBGR | Skyworks Solutions Inc. | Ultra™ Si545 | 33.8688 MHz | CMOS | 1.8V, 2.5V, 3.3V | ±20ppm |
| 545CAA36M8640BBGR | Skyworks Solutions Inc. | Ultra™ Si545 | 36.864 MHz | CMOS | 1.8V, 2.5V, 3.3V | ±20ppm |
| 545CAA40M2500ABGR | Skyworks Solutions Inc. | Ultra™ Si545 | 40.25 MHz | CMOS | 1.8V, 2.5V, 3.3V | ±20ppm |
| 545CAA48M0000BBGR | Skyworks Solutions Inc. | Ultra™ Si545 | 48 MHz | CMOS | 1.8V, 2.5V, 3.3V | ±20ppm |
| 545CAA49M1520ABGR | Skyworks Solutions Inc. | Ultra™ Si545 | 49.152 MHz | CMOS | 1.8V, 2.5V, 3.3V | ±20ppm |
| 545CAA50M0000BBGR | Skyworks Solutions Inc. | Ultra™ Si545 | 50 MHz | CMOS | 1.8V, 2.5V, 3.3V | ±20ppm |
| 545CAA62M5000ABGR | Skyworks Solutions Inc. | Ultra™ Si545 | 62.5 MHz | CMOS | 1.8V, 2.5V, 3.3V | ±20ppm |
| 545CAA75M0000ABGR | Skyworks Solutions Inc. | Ultra™ Si545 | 75 MHz | CMOS | 1.8V, 2.5V, 3.3V | ±20ppm |
| 545EAA100M000ABGR | Skyworks Solutions Inc. | Ultra™ Si545 | 100 MHz | HCSL | 1.8V, 2.5V, 3.3V | ±20ppm |
| 545EAA100M000BBGR | Skyworks Solutions Inc. | Ultra™ Si545 | 100 MHz | HCSL | 1.8V, 2.5V, 3.3V | ±20ppm |
| 545EAA16M8750BBGR | Skyworks Solutions Inc. | Ultra™ Si545 | 16.875 MHz | HCSL | 1.8V, 2.5V, 3.3V | ±20ppm |
| 545FAA22M5792BBGR | Skyworks Solutions Inc. | Ultra™ Si545 | 22.5792 MHz | CMOS | 1.8V, 2.5V, 3.3V | ±20ppm |
| 545FAA24M5760BBGR | Skyworks Solutions Inc. | Ultra™ Si545 | 24.576 MHz | CMOS | 1.8V, 2.5V, 3.3V | ±20ppm |
| 545GAA3M50000ABGR | Skyworks Solutions Inc. | Ultra™ Si545 | 3.5 MHz | CMOS | 1.8V, 2.5V, 3.3V | ±20ppm |
| 545GAA72M0000BBGR | Skyworks Solutions Inc. | Ultra™ Si545 | 72 MHz | CMOS | 1.8V, 2.5V, 3.3V | ±20ppm |
| 545AAA12M2880BBGR | Skyworks Solutions Inc. | Ultra™ Si545 | 12.288 MHz | LVPECL | 2.5V, 3.3V | ±20ppm |
| 545BAA106M250BBGR | Skyworks Solutions Inc. | Ultra™ Si545 | 106.25 MHz | LVDS | 1.8V, 2.5V, 3.3V | ±20ppm |
| 545AAA114M285BBGR | Skyworks Solutions Inc. | Ultra™ Si545 | 114.285 MHz | LVPECL | 2.5V, 3.3V | ±20ppm |
| 545BAA125M000BBGR | Skyworks Solutions Inc. | Ultra™ Si545 | 125 MHz | LVDS | 1.8V, 2.5V, 3.3V | ±20ppm |
| 545AAA25M0000BBGR | Skyworks Solutions Inc. | Ultra™ Si545 | 25 MHz | LVPECL | 2.5V, 3.3V | ±20ppm |
| 545BAA78M1250BBGR | Skyworks Solutions Inc. | Ultra™ Si545 | 78.125 MHz | LVDS | 1.8V, 2.5V, 3.3V | ±20ppm |
| 545AAA100M000BBGR | Skyworks Solutions Inc. | Ultra™ Si545 | 100 MHz | LVPECL | 2.5V, 3.3V | ±20ppm |
| 545CAA10M0000BBGR | Skyworks Solutions Inc. | Ultra™ Si545 | 10 MHz | CMOS | 1.8V, 2.5V, 3.3V | ±20ppm |
| 545AAA40M0000BBGR | Skyworks Solutions Inc. | Ultra™ Si545 | 40 MHz | LVPECL | 2.5V, 3.3V | ±20ppm |
| 545DAB50M0000BBGR | Skyworks Solutions Inc. | Ultra™ Si545 | 50 MHz | CML | 1.8V, 2.5V, 3.3V | ±20ppm |
| 545AAA100M000BAGR | Skyworks Solutions Inc. | Ultra™ Si545 | 100 MHz | LVPECL | 2.5V, 3.3V | ±20ppm |
| 545AAA10M0000ABGR | Skyworks Solutions Inc. | Ultra™ Si545 | 10 MHz | LVPECL | 2.5V, 3.3V | ±20ppm |
| 545AAA10M0000BBGR | Skyworks Solutions Inc. | Ultra™ Si545 | 10 MHz | LVPECL | 2.5V, 3.3V | ±20ppm |
| 545AAA122M880BBGR | Skyworks Solutions Inc. | Ultra™ Si545 | 122.88 MHz | LVPECL | 2.5V, 3.3V | ±20ppm |
| 545AAA24M0000BBGR | Skyworks Solutions Inc. | Ultra™ Si545 | 24 MHz | LVPECL | 2.5V, 3.3V | ±20ppm |
| 545AAA30M0000ABGR | Skyworks Solutions Inc. | Ultra™ Si545 | 30 MHz | LVPECL | 2.5V, 3.3V | ±20ppm |
| 545AAA3M50000ABGR | Skyworks Solutions Inc. | Ultra™ Si545 | 3.5 MHz | LVPECL | 2.5V, 3.3V | ±20ppm |
| 545AAA3M50000BBGR | Skyworks Solutions Inc. | Ultra™ Si545 | 3.5 MHz | LVPECL | 2.5V, 3.3V | ±20ppm |
| 545AAA40M8000ABGR | Skyworks Solutions Inc. | Ultra™ Si545 | 40.8 MHz | LVPECL | 2.5V, 3.3V | ±20ppm |
| 545AAA3M50000BCGR | Skyworks Solutions Inc. | Ultra™ Si545 | 3.5 MHz | LVPECL | 2.5V ~ 3.3V | ±20ppm |
| 545BBA160M000ACG | Skyworks Solutions Inc. | Ultra™ Si545 | 160 MHz | LVDS | 1.8V ~ 3.3V | ±10ppm |
| 545BAA250M000ACG | Skyworks Solutions Inc. | Ultra™ Si545 | 250 MHz | LVDS | 1.8V ~ 3.3V | ±20ppm |
| 545BAA322M265ACG | Skyworks Solutions Inc. | Ultra™ Si545 | 322.265 MHz | LVDS | 1.8V ~ 3.3V | ±20ppm |
| 545AAA322M265ACG | Skyworks Solutions Inc. | Ultra™ Si545 | 322.265 MHz | LVPECL | 2.5V ~ 3.3V | ±20ppm |
| 545CBA24M0000ACG | Skyworks Solutions Inc. | Ultra™ Si545 | 24 MHz | CMOS | 1.8V ~ 3.3V | ±10ppm |
| 545CAA40M2500ACG | Skyworks Solutions Inc. | Ultra™ Si545 | 40.25 MHz | CMOS | 1.8V ~ 3.3V | ±20ppm |
| 545CCA125M000ACG | Skyworks Solutions Inc. | Ultra™ Si545 | 125 MHz | CMOS | 1.8V ~ 3.3V | ±7ppm |
| 545ACA10M0000ACG | Skyworks Solutions Inc. | Ultra™ Si545 | 10 MHz | LVPECL | 2.5V ~ 3.3V | ±7ppm |
| 545BCA50M0015ACG | Skyworks Solutions Inc. | Ultra™ Si545 | 50.0015 MHz | LVDS | 1.8V ~ 3.3V | ±7ppm |
| 545FCA29M9700ACG | Skyworks Solutions Inc. | Ultra™ Si545 | 29.97 MHz | CMOS | 1.8V ~ 3.3V | ±7ppm |
| 545CAA49M1520ACG | Skyworks Solutions Inc. | Ultra™ Si545 | 49.152 MHz | CMOS | 1.8V ~ 3.3V | ±20ppm |
| 545CCA004671ACG | Skyworks Solutions Inc. | Ultra™ Si545 | 37.2116524 MHz | CMOS | 1.8V ~ 3.3V | ±7ppm |
| 545AAA312M500ACG | Skyworks Solutions Inc. | Ultra™ Si545 | 312.5 MHz | LVPECL | 2.5V ~ 3.3V | ±20ppm |
| 545CBB8M46720ACG | Skyworks Solutions Inc. | Ultra™ Si545 | 8.4672 MHz | CMOS | 1.8V ~ 3.3V | ±10ppm |
| 545ECA100M000ACG | Skyworks Solutions Inc. | Ultra™ Si545 | 100 MHz | HCSL | 1.8V ~ 3.3V | ±7ppm |
| 545BAA106M250ACG | Skyworks Solutions Inc. | Ultra™ Si545 | 106.25 MHz | LVDS | 1.8V ~ 3.3V | ±20ppm |
| 545ACA40M0000ACG | Skyworks Solutions Inc. | Ultra™ Si545 | 40 MHz | LVPECL | 2.5V ~ 3.3V | ±7ppm |
| 545CCA100M000ACG | Skyworks Solutions Inc. | Ultra™ Si545 | 100 MHz | CMOS | 1.8V ~ 3.3V | ±7ppm |
| 545ABA312M500ACG | Skyworks Solutions Inc. | Ultra™ Si545 | 312.5 MHz | LVPECL | 2.5V ~ 3.3V | ±10ppm |
| 545CBA000376ACG | Skyworks Solutions Inc. | Ultra™ Si545 | 33.33333 MHz | CMOS | 1.8V ~ 3.3V | ±10ppm |
| 545ACA50M0000ACG | Skyworks Solutions Inc. | Ultra™ Si545 | 50 MHz | LVPECL | 2.5V ~ 3.3V | ±7ppm |
| 545AAA156M250ACG | Skyworks Solutions Inc. | Ultra™ Si545 | 156.25 MHz | LVPECL | 2.5V ~ 3.3V | ±20ppm |
| 545BAA700M000ACG | Skyworks Solutions Inc. | Ultra™ Si545 | 700 MHz | LVDS | 1.8V ~ 3.3V | ±20ppm |
| 545CAA75M0000ACG | Skyworks Solutions Inc. | Ultra™ Si545 | 75 MHz | CMOS | 1.8V ~ 3.3V | ±20ppm |
| 545CCA50M0000ACG | Skyworks Solutions Inc. | Ultra™ Si545 | 50 MHz | CMOS | 1.8V ~ 3.3V | ±7ppm |
| 545AAC130M000ACG | Skyworks Solutions Inc. | Ultra™ Si545 | 130 MHz | LVPECL | 2.5V ~ 3.3V | ±20ppm |
| 545ECA19M2000ACG | Skyworks Solutions Inc. | Ultra™ Si545 | 19.2 MHz | HCSL | 1.8V ~ 3.3V | ±7ppm |
| 545BAA160M000BCG | Skyworks Solutions Inc. | Ultra™ Si545 | 160 MHz | LVDS | 1.8V ~ 3.3V | ±20ppm |
| 545BAA40M2500ACG | Skyworks Solutions Inc. | Ultra™ Si545 | 40.25 MHz | LVDS | 1.8V ~ 3.3V | ±20ppm |
| 545CAA25M0000ACG | Skyworks Solutions Inc. | Ultra™ Si545 | 25 MHz | CMOS | 1.8V ~ 3.3V | ±20ppm |
| 545CCA24M0000ACG | Skyworks Solutions Inc. | Ultra™ Si545 | 24 MHz | CMOS | 1.8V ~ 3.3V | ±7ppm |
| 545BAA000274ACG | Skyworks Solutions Inc. | Ultra™ Si545 | 322.265625 MHz | LVDS | 1.8V ~ 3.3V | ±20ppm |
| 545AAA125M000BCGR | Skyworks Solutions Inc. | Ultra™ Si545 | 125 MHz | LVPECL | 2.5V ~ 3.3V | ±20ppm |
| 545BAA100M000BCGR | Skyworks Solutions Inc. | Ultra™ Si545 | 100 MHz | LVDS | 1.8V ~ 3.3V | ±20ppm |
| 545AAA50M0000BCGR | Skyworks Solutions Inc. | Ultra™ Si545 | 50 MHz | LVPECL | 2.5V ~ 3.3V | ±20ppm |
| 545AAA25M0000BCGR | Skyworks Solutions Inc. | Ultra™ Si545 | 25 MHz | LVPECL | 2.5V ~ 3.3V | ±20ppm |
| 545BAA100M000ACGR | Skyworks Solutions Inc. | Ultra™ Si545 | 100 MHz | LVDS | 1.8V ~ 3.3V | ±20ppm |
| 545BAA25M0000BCGR | Skyworks Solutions Inc. | Ultra™ Si545 | 25 MHz | LVDS | 1.8V ~ 3.3V | ±20ppm |
| 545CAA100M000BCGR | Skyworks Solutions Inc. | Ultra™ Si545 | 100 MHz | CMOS | 1.8V ~ 3.3V | ±20ppm |
| 545AAA100M000BCGR | Skyworks Solutions Inc. | Ultra™ Si545 | 100 MHz | LVPECL | 2.5V ~ 3.3V | ±20ppm |
| 545AAA114M285BCGR | Skyworks Solutions Inc. | Ultra™ Si545 | 114.285 MHz | LVPECL | 2.5V ~ 3.3V | ±20ppm |
| 545BAA125M000BCGR | Skyworks Solutions Inc. | Ultra™ Si545 | 125 MHz | LVDS | 1.8V ~ 3.3V | ±20ppm |
| 545EAA100M000ACGR | Skyworks Solutions Inc. | Ultra™ Si545 | 100 MHz | HCSL | 1.8V ~ 3.3V | ±20ppm |
| 545CAA50M0000BCGR | Skyworks Solutions Inc. | Ultra™ Si545 | 50 MHz | CMOS | 1.8V ~ 3.3V | ±20ppm |
| 545CCA10M0000CCGR | Skyworks Solutions Inc. | Ultra™ Si545 | 10 MHz | CMOS | 1.8V ~ 3.3V | ±7ppm |
| 545CCA10M0000ACGR | Skyworks Solutions Inc. | Ultra™ Si545 | 10 MHz | CMOS | 1.8V ~ 3.3V | ±7ppm |
| 545BAA10M0000BCGR | Skyworks Solutions Inc. | Ultra™ Si545 | 10 MHz | LVDS | 1.8V ~ 3.3V | ±20ppm |
| 545CCA27M0000CCGR | Skyworks Solutions Inc. | Ultra™ Si545 | 27 MHz | CMOS | 1.8V ~ 3.3V | ±7ppm |
| 545ACA25M0000CCGR | Skyworks Solutions Inc. | Ultra™ Si545 | 25 MHz | LVPECL | 2.5V ~ 3.3V | ±7ppm |
| 545AAA80M0000ACGR | Skyworks Solutions Inc. | Ultra™ Si545 | 80 MHz | LVPECL | 2.5V ~ 3.3V | ±20ppm |
| 545BCA25M0000CCGR | Skyworks Solutions Inc. | Ultra™ Si545 | 25 MHz | LVDS | 1.8V ~ 3.3V | ±7ppm |
| 545BCA27M0000CCGR | Skyworks Solutions Inc. | Ultra™ Si545 | 27 MHz | LVDS | 1.8V ~ 3.3V | ±7ppm |
| 545CCB37M2000BCGR | Skyworks Solutions Inc. | Ultra™ Si545 | 37.2 MHz | CMOS | 1.8V ~ 3.3V | ±7ppm |
| 545EAA103M000ACGR | Skyworks Solutions Inc. | Ultra™ Si545 | 103 MHz | HCSL | 1.8V ~ 3.3V | ±20ppm |
| 545BAA65M0000CCGR | Skyworks Solutions Inc. | Ultra™ Si545 | 65 MHz | LVDS | 1.8V ~ 3.3V | ±20ppm |
| 545CAA80M0000BCGR | Skyworks Solutions Inc. | Ultra™ Si545 | 80 MHz | CMOS | 1.8V, 2.5V, 3.3V | ±20ppm |
| 545CAA98M5000ACGR | Skyworks Solutions Inc. | Ultra™ Si545 | 98.5 MHz | CMOS | 1.8V, 2.5V, 3.3V | ±20ppm |
| 545BAB125M000ACGR | Skyworks Solutions Inc. | Ultra™ Si545 | 125 MHz | LVDS | 1.8V, 2.5V, 3.3V | ±20ppm |
| 545CAA48M0000CCGR | Skyworks Solutions Inc. | Ultra™ Si545 | 48 MHz | CMOS | 1.8V, 2.5V, 3.3V | ±20ppm |
| 545AAA99M6000CCGR | Skyworks Solutions Inc. | Ultra™ Si545 | 99.6 MHz | LVPECL | 2.5V, 3.3V | ±20ppm |
| 545CAC33M0000ACGR | Skyworks Solutions Inc. | Ultra™ Si545 | 33 MHz | CMOS | 1.8V, 2.5V, 3.3V | ±20ppm |
| 545BAA100M000CCGR | Skyworks Solutions Inc. | Ultra™ Si545 | 100 MHz | LVDS | 1.8V, 2.5V, 3.3V | ±20ppm |
| 545CAA24M0000CCGR | Skyworks Solutions Inc. | Ultra™ Si545 | 24 MHz | CMOS | 1.8V, 2.5V, 3.3V | ±20ppm |
| 545CAA50M0000CCGR | Skyworks Solutions Inc. | Ultra™ Si545 | 50 MHz | CMOS | 1.8V, 2.5V, 3.3V | ±20ppm |
| 545BAA125M000ACGR | Skyworks Solutions Inc. | Ultra™ Si545 | 125 MHz | LVDS | 1.8V, 2.5V, 3.3V | ±20ppm |
| 545AAA100M000BBG | Skyworks Solutions Inc. | Ultra™ Si545 | 100 MHz | LVPECL | 2.5V, 3.3V | ±20ppm |
| 545AAA10M0000ABG | Skyworks Solutions Inc. | Ultra™ Si545 | 10 MHz | LVPECL | 2.5V, 3.3V | ±20ppm |
| 545AAA10M0000BBG | Skyworks Solutions Inc. | Ultra™ Si545 | 10 MHz | LVPECL | 2.5V, 3.3V | ±20ppm |
| 545AAA122M880BBG | Skyworks Solutions Inc. | Ultra™ Si545 | 122.88 MHz | LVPECL | 2.5V, 3.3V | ±20ppm |
| 545AAA24M0000BBG | Skyworks Solutions Inc. | Ultra™ Si545 | 24 MHz | LVPECL | 2.5V, 3.3V | ±20ppm |
| 545AAA30M0000ABG | Skyworks Solutions Inc. | Ultra™ Si545 | 30 MHz | LVPECL | 2.5V, 3.3V | ±20ppm |
| 545AAA3M50000ABG | Skyworks Solutions Inc. | Ultra™ Si545 | 3.5 MHz | LVPECL | 2.5V, 3.3V | ±20ppm |
| 545DAA312M500ACG | Skyworks Solutions Inc. | Ultra™ Si545 | 312.5 MHz | CML | 1.8V ~ 3.3V | ±20ppm |
| 545CCA29M9700ACG | Skyworks Solutions Inc. | Ultra™ Si545 | 29.97 MHz | CMOS | 1.8V ~ 3.3V | ±7ppm |
| 545AAA30M0000ACG | Skyworks Solutions Inc. | Ultra™ Si545 | 30 MHz | LVPECL | 2.5V ~ 3.3V | ±20ppm |
| 545AAA40M8000ACG | Skyworks Solutions Inc. | Ultra™ Si545 | 40.8 MHz | LVPECL | 2.5V ~ 3.3V | ±20ppm |
| 545BAB122M880ACG | Skyworks Solutions Inc. | Ultra™ Si545 | 122.88 MHz | LVDS | 1.8V ~ 3.3V | ±20ppm |
| 545CAA100M000ACG | Skyworks Solutions Inc. | Ultra™ Si545 | 100 MHz | CMOS | 1.8V ~ 3.3V | ±20ppm |
| 545CCA64M0000ACG | Skyworks Solutions Inc. | Ultra™ Si545 | 64 MHz | CMOS | 1.8V ~ 3.3V | ±7ppm |
| 545BAA160M000BCGR | Skyworks Solutions Inc. | Ultra™ Si545 | 160 MHz | LVDS | 1.8V ~ 3.3V | ±20ppm |
| 545FCA29M7900ACG | Skyworks Solutions Inc. | Ultra™ Si545 | 29.79 MHz | CMOS | 1.8V ~ 3.3V | ±7ppm |
| 545CCA44M8000ACG | Skyworks Solutions Inc. | Ultra™ Si545 | 44.8 MHz | CMOS | 1.8V ~ 3.3V | ±7ppm |
| 545AAC705M024ACG | Skyworks Solutions Inc. | Ultra™ Si545 | 705.024 MHz | LVPECL | 2.5V ~ 3.3V | ±20ppm |
| 545BAA156M250ACG | Skyworks Solutions Inc. | Ultra™ Si545 | 156.25 MHz | LVDS | 1.8V ~ 3.3V | ±20ppm |
| 545GAA3M50000ACG | Skyworks Solutions Inc. | Ultra™ Si545 | 3.5 MHz | CMOS | 1.8V ~ 3.3V | ±20ppm |
| 545ABA200M000ACG | Skyworks Solutions Inc. | Ultra™ Si545 | 200 MHz | LVPECL | 2.5V ~ 3.3V | ±10ppm |
| 545BCB147M500ACG | Skyworks Solutions Inc. | Ultra™ Si545 | 147.5 MHz | LVDS | 1.8V ~ 3.3V | ±7ppm |
| 545AAA10M0000ACG | Skyworks Solutions Inc. | Ultra™ Si545 | 10 MHz | LVPECL | 2.5V ~ 3.3V | ±20ppm |
| 545CAA62M5000ACG | Skyworks Solutions Inc. | Ultra™ Si545 | 62.5 MHz | CMOS | 1.8V ~ 3.3V | ±20ppm |
| 545BBA156M250ACG | Skyworks Solutions Inc. | Ultra™ Si545 | 156.25 MHz | LVDS | 1.8V ~ 3.3V | ±10ppm |
| 545BAA644M500ACG | Skyworks Solutions Inc. | Ultra™ Si545 | 644.5 MHz | LVDS | 1.8V ~ 3.3V | ±20ppm |
| 545AAA3M50000ACG | Skyworks Solutions Inc. | Ultra™ Si545 | 3.5 MHz | LVPECL | 2.5V ~ 3.3V | ±20ppm |
| 545BAA000292BCGR | Skyworks Solutions Inc. | Ultra™ Si545 | 161.1328 MHz | LVDS | 1.8V ~ 3.3V | ±20ppm |
| 545BAA233M333BCGR | Skyworks Solutions Inc. | Ultra™ Si545 | 233.333 MHz | LVDS | 1.8V ~ 3.3V | ±20ppm |
| 545CAA48M0000BCG | Skyworks Solutions Inc. | Ultra™ Si545 | 48 MHz | CMOS | 1.8V ~ 3.3V | ±20ppm |
| 545BAA000292BCG | Skyworks Solutions Inc. | Ultra™ Si545 | 161.1328 MHz | LVDS | 1.8V ~ 3.3V | ±20ppm |
| 545AAA24M0000BCGR | Skyworks Solutions Inc. | Ultra™ Si545 | 24 MHz | LVPECL | 2.5V ~ 3.3V | ±20ppm |
| 545BAC000274BCGR | Skyworks Solutions Inc. | Ultra™ Si545 | 322.265625 MHz | LVDS | 1.8V ~ 3.3V | ±20ppm |
| 545AAA160M000BCG | Skyworks Solutions Inc. | Ultra™ Si545 | 160 MHz | LVPECL | 2.5V ~ 3.3V | ±20ppm |
| 545BAA40M2500ACGR | Skyworks Solutions Inc. | Ultra™ Si545 | 40.25 MHz | LVDS | 1.8V ~ 3.3V | ±20ppm |
| 545FCA29M9700ACGR | Skyworks Solutions Inc. | Ultra™ Si545 | 29.97 MHz | CMOS | 1.8V ~ 3.3V | ±7ppm |
| 545CCA44M8000ACGR | Skyworks Solutions Inc. | Ultra™ Si545 | 44.8 MHz | CMOS | 1.8V ~ 3.3V | ±7ppm |
| 545FAA22M5792BCGR | Skyworks Solutions Inc. | Ultra™ Si545 | 22.5792 MHz | CMOS | 1.8V ~ 3.3V | ±20ppm |
| 545BAA106M250BCG | Skyworks Solutions Inc. | Ultra™ Si545 | 106.25 MHz | LVDS | 1.8V ~ 3.3V | ±20ppm |
| 545BAA52M0000BCGR | Skyworks Solutions Inc. | Ultra™ Si545 | 52 MHz | LVDS | 1.8V ~ 3.3V | ±20ppm |
| 545BAA106M250ACGR | Skyworks Solutions Inc. | Ultra™ Si545 | 106.25 MHz | LVDS | 1.8V ~ 3.3V | ±20ppm |
| 545EAA147M456BCGR | Skyworks Solutions Inc. | Ultra™ Si545 | 147.456 MHz | HCSL | 1.8V ~ 3.3V | ±20ppm |
| 545BAA233M333BCG | Skyworks Solutions Inc. | Ultra™ Si545 | 233.333 MHz | LVDS | 1.8V ~ 3.3V | ±20ppm |
| 545AAA289M300BCG | Skyworks Solutions Inc. | Ultra™ Si545 | 289.3 MHz | LVPECL | 2.5V ~ 3.3V | ±20ppm |
| 545BBA000127BCGR | Skyworks Solutions Inc. | Ultra™ Si545 | 644.53125 MHz | LVDS | 1.8V ~ 3.3V | ±10ppm |
| 545AAC156M250BCG | Skyworks Solutions Inc. | Ultra™ Si545 | 156.25 MHz | LVPECL | 2.5V ~ 3.3V | ±20ppm |
| 545DAA491M520BCGR | Skyworks Solutions Inc. | Ultra™ Si545 | 491.52 MHz | CML | 1.8V ~ 3.3V | ±20ppm |
| 545AAA3M50000ACGR | Skyworks Solutions Inc. | Ultra™ Si545 | 3.5 MHz | LVPECL | 2.5V ~ 3.3V | ±20ppm |
| 545FAA22M5792BCG | Skyworks Solutions Inc. | Ultra™ Si545 | 22.5792 MHz | CMOS | 1.8V ~ 3.3V | ±20ppm |
| 545AAA000127BCGR | Skyworks Solutions Inc. | Ultra™ Si545 | 644.53125 MHz | LVPECL | 2.5V ~ 3.3V | ±20ppm |
| 545AAA622M080BCG | Skyworks Solutions Inc. | Ultra™ Si545 | 622.08 MHz | LVPECL | 2.5V ~ 3.3V | ±20ppm |
| 545BBA004656BCG | Skyworks Solutions Inc. | Ultra™ Si545 | 148.425824 MHz | LVDS | 1.8V ~ 3.3V | ±10ppm |
| 545BAB400M000BCG | Skyworks Solutions Inc. | Ultra™ Si545 | 400 MHz | LVDS | 1.8V ~ 3.3V | ±20ppm |
| 545BAB100M000BCGR | Skyworks Solutions Inc. | Ultra™ Si545 | 100 MHz | LVDS | 1.8V ~ 3.3V | ±20ppm |
| 545BAA625M000BCGR | Skyworks Solutions Inc. | Ultra™ Si545 | 625 MHz | LVDS | 1.8V ~ 3.3V | ±20ppm |
| 545AAA40M0000BCG | Skyworks Solutions Inc. | Ultra™ Si545 | 40 MHz | LVPECL | 2.5V ~ 3.3V | ±20ppm |
| 545CAA200M000BCG | Skyworks Solutions Inc. | Ultra™ Si545 | 200 MHz | CMOS | 1.8V ~ 3.3V | ±20ppm |
| 545BCA70M3235BCGR | Skyworks Solutions Inc. | Ultra™ Si545 | 70.3235 MHz | LVDS | 1.8V ~ 3.3V | ±7ppm |
| 545BAA644M500ACGR | Skyworks Solutions Inc. | Ultra™ Si545 | 644.5 MHz | LVDS | 1.8V ~ 3.3V | ±20ppm |
| 545AAA289M300BCGR | Skyworks Solutions Inc. | Ultra™ Si545 | 289.3 MHz | LVPECL | 2.5V ~ 3.3V | ±20ppm |
| 545BAB266M525BCGR | Skyworks Solutions Inc. | Ultra™ Si545 | 266.525 MHz | LVDS | 1.8V ~ 3.3V | ±20ppm |
| 545DAA492M520BCG | Skyworks Solutions Inc. | Ultra™ Si545 | 492.52 MHz | CML | 1.8V ~ 3.3V | ±20ppm |
| 545BCB147M500ACGR | Skyworks Solutions Inc. | Ultra™ Si545 | 147.5 MHz | LVDS | 1.8V ~ 3.3V | ±7ppm |
| 545AAA10M0000ACGR | Skyworks Solutions Inc. | Ultra™ Si545 | 10 MHz | LVPECL | 2.5V ~ 3.3V | ±20ppm |
| 545BAA322M266BCGR | Skyworks Solutions Inc. | Ultra™ Si545 | 322.266 MHz | LVDS | 1.8V ~ 3.3V | ±20ppm |
| 545CAA10M0000BCGR | Skyworks Solutions Inc. | Ultra™ Si545 | 10 MHz | CMOS | 1.8V ~ 3.3V | ±20ppm |
| 545BCA70M3235BCG | Skyworks Solutions Inc. | Ultra™ Si545 | 70.3235 MHz | LVDS | 1.8V ~ 3.3V | ±7ppm |
| 545AAC156M250BCGR | Skyworks Solutions Inc. | Ultra™ Si545 | 156.25 MHz | LVPECL | 2.5V ~ 3.3V | ±20ppm |
| 545AAA160M000BCGR | Skyworks Solutions Inc. | Ultra™ Si545 | 160 MHz | LVPECL | 2.5V ~ 3.3V | ±20ppm |
| 545BAA80M0000BCG | Skyworks Solutions Inc. | Ultra™ Si545 | 80 MHz | LVDS | 1.8V ~ 3.3V | ±20ppm |
| 545BAB266M525BCG | Skyworks Solutions Inc. | Ultra™ Si545 | 266.525 MHz | LVDS | 1.8V ~ 3.3V | ±20ppm |
| 545BAC000274BCG | Skyworks Solutions Inc. | Ultra™ Si545 | 322.265625 MHz | LVDS | 1.8V ~ 3.3V | ±20ppm |
| 545AAA10M0000BCG | Skyworks Solutions Inc. | Ultra™ Si545 | 10 MHz | LVPECL | 2.5V ~ 3.3V | ±20ppm |
| 545ABA200M000ACGR | Skyworks Solutions Inc. | Ultra™ Si545 | 200 MHz | LVPECL | 2.5V ~ 3.3V | ±10ppm |
| 545BAB100M000BCG | Skyworks Solutions Inc. | Ultra™ Si545 | 100 MHz | LVDS | 1.8V ~ 3.3V | ±20ppm |
| 545AAA12M2880BCG | Skyworks Solutions Inc. | Ultra™ Si545 | 12.288 MHz | LVPECL | 2.5V ~ 3.3V | ±20ppm |
| 545ECA100M000ACGR | Skyworks Solutions Inc. | Ultra™ Si545 | 100 MHz | HCSL | 1.8V ~ 3.3V | ±7ppm |
| 545CCA64M0000ACGR | Skyworks Solutions Inc. | Ultra™ Si545 | 64 MHz | CMOS | 1.8V ~ 3.3V | ±7ppm |
| 545AAA40M8000ACGR | Skyworks Solutions Inc. | Ultra™ Si545 | 40.8 MHz | LVPECL | 2.5V ~ 3.3V | ±20ppm |
| 545CAA100M000ACGR | Skyworks Solutions Inc. | Ultra™ Si545 | 100 MHz | CMOS | 1.8V ~ 3.3V | ±20ppm |
| 545AAA10M0000BCGR | Skyworks Solutions Inc. | Ultra™ Si545 | 10 MHz | LVPECL | 2.5V ~ 3.3V | ±20ppm |
| 545CAA62M5000ACGR | Skyworks Solutions Inc. | Ultra™ Si545 | 62.5 MHz | CMOS | 1.8V ~ 3.3V | ±20ppm |
| 545AAA000274BCG | Skyworks Solutions Inc. | Ultra™ Si545 | 322.265625 MHz | LVPECL | 2.5V ~ 3.3V | ±20ppm |
| 545BBA000127BCG | Skyworks Solutions Inc. | Ultra™ Si545 | 644.53125 MHz | LVDS | 1.8V ~ 3.3V | ±10ppm |
| 545BAA80M0000BCGR | Skyworks Solutions Inc. | Ultra™ Si545 | 80 MHz | LVDS | 1.8V ~ 3.3V | ±20ppm |
| 545AAA40M8000BCG | Skyworks Solutions Inc. | Ultra™ Si545 | 40.8 MHz | LVPECL | 2.5V ~ 3.3V | ±20ppm |
| 545CCA24M0000ACGR | Skyworks Solutions Inc. | Ultra™ Si545 | 24 MHz | CMOS | 1.8V ~ 3.3V | ±7ppm |
| 545BBA160M000ACGR | Skyworks Solutions Inc. | Ultra™ Si545 | 160 MHz | LVDS | 1.8V ~ 3.3V | ±10ppm |
| 545CAA48M0000BCGR | Skyworks Solutions Inc. | Ultra™ Si545 | 48 MHz | CMOS | 1.8V ~ 3.3V | ±20ppm |
| 545GAA72M0000BCGR | Skyworks Solutions Inc. | Ultra™ Si545 | 72 MHz | CMOS | 1.8V ~ 3.3V | ±20ppm |
| 545CBA80M0000BCG | Skyworks Solutions Inc. | Ultra™ Si545 | 80 MHz | CMOS | 1.8V ~ 3.3V | ±10ppm |
| 545CBA000376ACGR | Skyworks Solutions Inc. | Ultra™ Si545 | 33.33333 MHz | CMOS | 1.8V ~ 3.3V | ±10ppm |
| 545CAA33M8688BCGR | Skyworks Solutions Inc. | Ultra™ Si545 | 33.8688 MHz | CMOS | 1.8V ~ 3.3V | ±20ppm |
| 545GAA72M0000BCG | Skyworks Solutions Inc. | Ultra™ Si545 | 72 MHz | CMOS | 1.8V ~ 3.3V | ±20ppm |
| 545FCA29M7900ACGR | Skyworks Solutions Inc. | Ultra™ Si545 | 29.79 MHz | CMOS | 1.8V ~ 3.3V | ±7ppm |
| 545AAA000274BCGR | Skyworks Solutions Inc. | Ultra™ Si545 | 322.265625 MHz | LVPECL | 2.5V ~ 3.3V | ±20ppm |
| 545BBA004656BCGR | Skyworks Solutions Inc. | Ultra™ Si545 | 148.425824 MHz | LVDS | 1.8V ~ 3.3V | ±10ppm |
| 545BAA150M000BCGR | Skyworks Solutions Inc. | Ultra™ Si545 | 150 MHz | LVDS | 1.8V ~ 3.3V | ±20ppm |
| 545AAA3M50000BCG | Skyworks Solutions Inc. | Ultra™ Si545 | 3.5 MHz | LVPECL | 2.5V ~ 3.3V | ±20ppm |
| 545CCA10M0000CCG | Skyworks Solutions Inc. | Ultra™ Si545 | 10 MHz | CMOS | 1.8V ~ 3.3V | ±7ppm |
| 545BAB125M000ACG | Skyworks Solutions Inc. | Ultra™ Si545 | 125 MHz | LVDS | 1.8V, 2.5V, 3.3V | ±20ppm |
| 545BAA100M000CCG | Skyworks Solutions Inc. | Ultra™ Si545 | 100 MHz | LVDS | 1.8V, 2.5V, 3.3V | ±20ppm |
| 545AAA99M6000CCG | Skyworks Solutions Inc. | Ultra™ Si545 | 99.6 MHz | LVPECL | 2.5V, 3.3V | ±20ppm |
| 545CAA48M0000CCG | Skyworks Solutions Inc. | Ultra™ Si545 | 48 MHz | CMOS | 1.8V, 2.5V, 3.3V | ±20ppm |
| 545CAA24M0000CCG | Skyworks Solutions Inc. | Ultra™ Si545 | 24 MHz | CMOS | 1.8V, 2.5V, 3.3V | ±20ppm |
| 545CAA50M0000CCG | Skyworks Solutions Inc. | Ultra™ Si545 | 50 MHz | CMOS | 1.8V, 2.5V, 3.3V | ±20ppm |
| 545BAA125M000ACG | Skyworks Solutions Inc. | Ultra™ Si545 | 125 MHz | LVDS | 1.8V, 2.5V, 3.3V | ±20ppm |
| 545CAC33M0000ACG | Skyworks Solutions Inc. | Ultra™ Si545 | 33 MHz | CMOS | 1.8V, 2.5V, 3.3V | ±20ppm |
| 545CAA80M0000BCG | Skyworks Solutions Inc. | Ultra™ Si545 | 80 MHz | CMOS | 1.8V, 2.5V, 3.3V | ±20ppm |
| 545AAA125M000BCG | Skyworks Solutions Inc. | Ultra™ Si545 | 125 MHz | LVPECL | 2.5V ~ 3.3V | ±20ppm |
| 545AAA25M0000BCG | Skyworks Solutions Inc. | Ultra™ Si545 | 25 MHz | LVPECL | 2.5V ~ 3.3V | ±20ppm |
| 545AAA50M0000BCG | Skyworks Solutions Inc. | Ultra™ Si545 | 50 MHz | LVPECL | 2.5V ~ 3.3V | ±20ppm |
| 545BAA125M000BCG | Skyworks Solutions Inc. | Ultra™ Si545 | 125 MHz | LVDS | 1.8V ~ 3.3V | ±20ppm |
| 545AAA114M285BCG | Skyworks Solutions Inc. | Ultra™ Si545 | 114.285 MHz | LVPECL | 2.5V ~ 3.3V | ±20ppm |
| 545AAA100M000BCG | Skyworks Solutions Inc. | Ultra™ Si545 | 100 MHz | LVPECL | 2.5V ~ 3.3V | ±20ppm |
| 545CAA50M0000BCG | Skyworks Solutions Inc. | Ultra™ Si545 | 50 MHz | CMOS | 1.8V ~ 3.3V | ±20ppm |
| 545BAA100M000BCG | Skyworks Solutions Inc. | Ultra™ Si545 | 100 MHz | LVDS | 1.8V ~ 3.3V | ±20ppm |
| 545CAA100M000BCG | Skyworks Solutions Inc. | Ultra™ Si545 | 100 MHz | CMOS | 1.8V ~ 3.3V | ±20ppm |
| 545BAA25M0000BCG | Skyworks Solutions Inc. | Ultra™ Si545 | 25 MHz | LVDS | 1.8V ~ 3.3V | ±20ppm |
| 545BAA100M000ACG | Skyworks Solutions Inc. | Ultra™ Si545 | 100 MHz | LVDS | 1.8V ~ 3.3V | ±20ppm |
| 545EAA100M000ACG | Skyworks Solutions Inc. | Ultra™ Si545 | 100 MHz | HCSL | 1.8V ~ 3.3V | ±20ppm |
| 545CCB37M2000BCG | Skyworks Solutions Inc. | Ultra™ Si545 | 37.2 MHz | CMOS | 1.8V ~ 3.3V | ±7ppm |
| 545EAA103M000ACG | Skyworks Solutions Inc. | Ultra™ Si545 | 103 MHz | HCSL | 1.8V ~ 3.3V | ±20ppm |
| 545CCA27M0000CCG | Skyworks Solutions Inc. | Ultra™ Si545 | 27 MHz | CMOS | 1.8V ~ 3.3V | ±7ppm |
| 545CAA98M5000ACG | Skyworks Solutions Inc. | Ultra™ Si545 | 98.5 MHz | CMOS | 1.8V ~ 3.3V | ±20ppm |
| 545BAA65M0000CCG | Skyworks Solutions Inc. | Ultra™ Si545 | 65 MHz | LVDS | 1.8V ~ 3.3V | ±20ppm |
| 545BAA10M0000BCG | Skyworks Solutions Inc. | Ultra™ Si545 | 10 MHz | LVDS | 1.8V ~ 3.3V | ±20ppm |
| 545BCA27M0000CCG | Skyworks Solutions Inc. | Ultra™ Si545 | 27 MHz | LVDS | 1.8V ~ 3.3V | ±7ppm |
| 545BCA25M0000CCG | Skyworks Solutions Inc. | Ultra™ Si545 | 25 MHz | LVDS | 1.8V ~ 3.3V | ±7ppm |
| 545ACA25M0000CCG | Skyworks Solutions Inc. | Ultra™ Si545 | 25 MHz | LVPECL | 2.5V ~ 3.3V | ±7ppm |
| 545AAA80M0000ACG | Skyworks Solutions Inc. | Ultra™ Si545 | 80 MHz | LVPECL | 2.5V ~ 3.3V | ±20ppm |
| 545CCA10M0000ACG | Skyworks Solutions Inc. | Ultra™ Si545 | 10 MHz | CMOS | 1.8V ~ 3.3V | ±7ppm |
| 545ACA000127BCG | Skyworks Solutions Inc. | Ultra™ Si545 | 644.53125 MHz | LVPECL | 2.5V ~ 3.3V | ±7ppm |
| 545GAA3M50000ACGR | Skyworks Solutions Inc. | Ultra™ Si545 | 3.5 MHz | CMOS | 1.8V ~ 3.3V | ±20ppm |
| 545EAA147M456BCG | Skyworks Solutions Inc. | Ultra™ Si545 | 147.456 MHz | HCSL | 1.8V ~ 3.3V | ±20ppm |
| 545AAA492M520BCG | Skyworks Solutions Inc. | Ultra™ Si545 | 492.52 MHz | LVPECL | 2.5V ~ 3.3V | ±20ppm |
| 545CBA200M000BCG | Skyworks Solutions Inc. | Ultra™ Si545 | 200 MHz | CMOS | 1.8V ~ 3.3V | ±10ppm |
| 545AAX156M250ACGR | Skyworks Solutions Inc. | Ultra™ Si545 | 156.25 MHz | - | 1.8V ~ 3.3V | ±20ppm |
| 545AAB250M000BCG | Skyworks Solutions Inc. | Ultra™ Si545 | 250 MHz | LVPECL | 2.5V ~ 3.3V | ±20ppm |
| 545ACA20M0000BCGR | Skyworks Solutions Inc. | Ultra™ Si545 | 20 MHz | LVPECL | 2.5V ~ 3.3V | ±7ppm |
| 545BCA000127BCG | Skyworks Solutions Inc. | Ultra™ Si545 | 644.53125 MHz | LVDS | 1.8V ~ 3.3V | ±7ppm |


.gif)
1.技術支持 2.客服咨詢
全方位技術指導,專業的技術支持讓您感受到 專業的銷售團隊,耐心為您解答任何疑問,讓您的
前所未有的后顧無憂. 消費得到保障.
3.質量保證,誠信為上 4.提升業績,降低成本
我司以“以科技為動力,以質量求生存”為理念. 為您的產品量身訂制,免費取樣,
為您做到低成本,高效率.

全方位技術指導,專業的技術支持讓您感受到 專業的銷售團隊,耐心為您解答任何疑問,讓您的
前所未有的后顧無憂. 消費得到保障.
3.質量保證,誠信為上 4.提升業績,降低成本
我司以“以科技為動力,以質量求生存”為理念. 為您的產品量身訂制,免費取樣,
為您做到低成本,高效率.

| 深圳市康華爾電子有限公司 |
| 電 話: +86-755-27838351 |
| 手 機:13823300879 |
| 傳 真: +86-755-27883106 |
| Q Q: 632862232 |
| MSN: konuaer@163.com |
| E-mail:konuaer@163.com |
| 網 址:http://www.zzlyqc.cn |
|
地 址:廣東深圳市寶安寶安大道東95號浙商銀行大廈1905 |






銷售代表
售后服務