產品系列
- 32.768KHz
- 石英晶振
- 貼片晶振
- 聲表面濾波器
- 陶瓷晶振
- 陶瓷霧化片
- 陶瓷濾波器
- 微孔霧化片
- CTS晶振
- KDS晶振
- 愛普生晶振
- 西鐵城晶振
- 精工晶體
- 村田晶振
- 京瓷晶振
- DST310S晶振
- 日本大河晶體
- NDK晶振
- 亞陶晶振
- 日本富士晶振
- NAKA晶振
- SMI晶振
- NKG晶振
- NJR晶振
- Q-Tech晶振
- ABRACON晶振
- VECTRON晶振
- JAUCH晶振
- ConnorWinfield晶振
- Rakon晶振
- ECS晶振
- Greenray晶振
- ECLIPTEK晶振
- GOLLEDGE晶振
- STATEK晶振
- Pletronics晶振
- SITIME晶振
- Microcrystal晶振
- RALTRON晶振
- AEK晶振
- AEL晶振
- ILSI晶振
- FOX晶振
- fujicom晶振
- CRYSTEK晶振
- interquip晶振
- Geyer晶振
- quartzcom晶振
- qantek晶振
- EUROQUARTZ晶振
- quarztechnik晶振
- Cardinal晶振
- FRE-TECH晶振
- KVG晶振
- wi2wi晶振
- Transko晶振
- suntsu晶振
- mmdcomp晶振
- MERCURY晶振
- MTRONPTI晶振
- ACT晶振
- MTI晶振
- Lihom晶振
- Rubyquartz晶振
- Oscilent晶振
- SHINSUNG晶振
- ITTI晶振
- PDI晶振
- IQD晶振
- Microchip晶振
- Silicon晶振
- Anderson晶振
- Fortiming晶振
- CORE晶振
- NIPPON晶振
- NIC晶振
- QVS晶振
- Bomar晶振
- Bliley晶振
- GED晶振
- FILTRONETICS晶振
- STD晶振
- Wenzel晶振
- NEL晶振
- EM晶振
- PETERMANN晶振
- FCD-Tech晶振
- HEC晶振
- FMI晶振
- Macrobizes晶振
- AXTAL晶振
- SUNNY晶振
- ARGO晶振
- Renesas瑞薩晶振
- SKYWORKS晶振
- NSK晶振
- 臺灣加高諧振器
- 臺灣鴻星晶體
- TXC晶振
- 臺灣希華晶振
- 臺灣泰藝晶體
- AKER晶振
晶振廠家
進口晶振
歐美晶振
臺產晶振
Tel:0755-27838351
Add:廣東深圳市寶安區67區留仙一路甲岸科技園3棟5樓
Email:konuaer@163.com
QQ:632862232
晶振官方博客
更多>>.jpg)
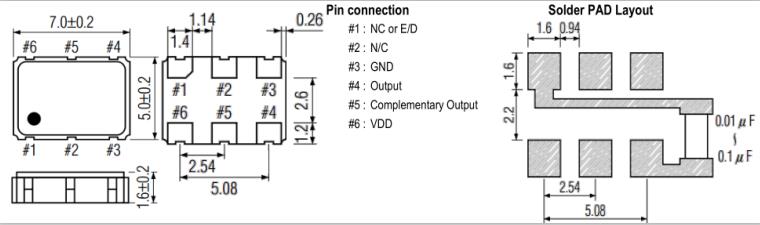
SHINSUNG晶振,SXO-P-S測試專用晶振,SXO-P-S-33ST-20HZ-16.000MHz晶振,小型SMD有源晶振,從最初超大體積到現在的7050mm,6035mm,5032mm,3225mm,2520mm體積,有著翻天覆地的改變,體積的變小也使產品帶來了更高的穩定性能,接縫密封石英晶體振蕩器,精度高,覆蓋頻率范圍寬的特點,SMD高速自動安裝和高溫回流焊設計,Optionable待機輸出三態輸出功能,電源電壓范圍:1.8V~5V,高穩定性,低抖動,低功耗,主要應用領域:無線通訊,高端智能手機,平板筆記本WLAN,藍牙,數碼相機,DSL和其他IT產品的晶振應用,三態功能,PC和LCDM等高端數碼領域,符合RoHS/無鉛.
SHINSUNG晶振,SXO-P-S測試專用晶振,SXO-P-S-33ST-20HZ-16.000MHz晶振,石英晶振真空退火技術:晶振高真空退火處理是消除貼片晶振在加工過程中產生的應力及輕微表面缺陷.在PLC控制程序中輸入已設計好的溫度曲線,使真空室溫度跟隨設定曲線對晶體組件進行退火,石英晶振通過合理的真空退火技術可提高晶振主要參數的穩定性,以及提高SMD晶振的年老化特性.
SHINSUNG晶振,SXO-P-S測試專用晶振,SXO-P-S-33ST-20HZ-16.000MHz晶振,石英晶振真空退火技術:晶振高真空退火處理是消除貼片晶振在加工過程中產生的應力及輕微表面缺陷.在PLC控制程序中輸入已設計好的溫度曲線,使真空室溫度跟隨設定曲線對晶體組件進行退火,石英晶振通過合理的真空退火技術可提高晶振主要參數的穩定性,以及提高SMD晶振的年老化特性.

SHINSUNG晶振,SXO-P-S測試專用晶振,SXO-P-S-33ST-20HZ-16.000MHz晶振,SHINSUNG Crysta成立于1990年,并開始生產石英晶振,濾波器,石英晶體振蕩器,同時向客戶提供最新的新松貼片石英晶振或通孔型晶振單元,時鐘有源晶振,溫補晶振等晶振產品,一直以供應優質晶振產品為信念,不斷給社會創造價值.
SHINSUNG晶振公司以顧客為中心,基于價值的管理,人類和諧的價值,我們認為我們的客戶是合作伙伴,并努力滿足并超越他們對質量,客戶服務和價值的要求我們是最新的貼片石英晶振或通孔型晶體單元,時鐘OSC,TCXO,VCXO,MCF等,并提供高產品 質量穩定,穩定性高。
.gif)
.gif)

抗沖擊
抗沖擊是指進口晶振產品可能會在某些條件下受到損壞.例如從桌上跌落,摔打,高空拋壓或在貼裝過程中受到沖擊.如果產品已受過沖擊請勿使用.因為無論何種石英晶振,其內部晶片都是石英晶振制作而成的,高空跌落摔打都會給晶振照成不良影響.
存儲事項
(1) 在更高或更低溫度或高濕度環境下長時間保存晶振時,會影響頻率穩定性或焊接性.請在正常溫度和濕度環境下保存這些石英晶振產品,并在開封后盡可能進行安裝,以免長期儲藏.
正常溫度和濕度:
溫度:+15°C 至 +35°C,濕度 25 % RH 至 85 % RH(請參閱“測試點JIS C 60068-1 / IEC 60068-1的標準條件”章節內容).
(2) 請仔細處理內外盒與卷帶.外部壓力會導致卷帶受到損壞.SHINSUNG晶振,SXO-P-S測試專用晶振,SXO-P-S-33ST-20HZ-16.000MHz晶振.
激勵功率
在晶振上施加過多驅動力,會導致產品特性受到損害或破壞.電路設計必須能夠維持適當的激勵功率 (請參閱“激勵功率”章節內容).
負極電阻
除非石英晶體振蕩器回路中分配足夠多的負極電阻,否則振蕩或振蕩啟動時間可能會增加(請參閱“關于振蕩”章節內容).
負載電容
有源晶振振蕩電路中負載電容的不同,可能導致振蕩頻率與設計頻率之間產生偏差.試圖通過強力調整,可能只會導致不正常的振蕩.在使用之前,請指明該振動電路的負載電容(請參閱“負載電容”章節內容).
機械振動的影響
當SMD晶振產品上存在任何給定沖擊或受到周期性機械振動時,比如:壓電揚聲器,壓電蜂鳴器,以及喇叭等,輸出頻率和幅度會受到影響.這種現象對通信器材通信質量有影響.盡管晶振產品設計可最小化這種機械振動的影響,我們推薦事先檢查并按照下列安裝指南進行操作.
致力于環境保護,包括預防污染.在石英耐高溫晶振晶體產品的規劃到制造、運行維修等整個過程中,努力提供環保型的石英SMD晶振產品和服務.在業務活動中,努力節約資源并節省能源,致力于減少廢棄物和再生資源的回收利用.在積極公開有關環境的信息的同時,通過支持環保活動,廣泛地為社會作貢獻.致力于保護生物多樣性和可持續利用.切實運行環境管理系統PDmCA(Plan-Do-multiple Check-Act),努力提高環境性能,不斷改善運用系統.
SHINSUNG晶振將有效率的使用自然資源和能源,以便從源頭減少廢物產生和排放.我們將在關注于預防環境和安全事故,保護公眾健康的同時,努力改進我們的操作.我公司將積極參與加強公眾環境、健康和安全意識的活動,提高公眾對普遍的環境、健康和安全問題的注意. SHINSUNG晶振,SXO-P-S測試專用晶振,SXO-P-S-33ST-20HZ-16.000MHz晶振.
SHINSUNG晶振集團實施創新戰略,提高自主創新能力,并生產更多貼片晶振等產品,確保公司可持續發展.實施節約戰略,提高建設節約環保型企業能力,確保實現節能環保規劃目標.
SHINSUNG晶振公司在“制造、使用、有效利用、再利用”這樣一個產品生命周期中,努力創造豐富的價值,給社會帶來溫馨和安寧,感動和驚喜,同時為減少環境影響,努力做好“防止地球變暖、有效利用資源、對化學物質進行管理”,實現與地球的和諧相處.
.gif)
1.技術支持 2.客服咨詢
全方位技術指導,專業的技術支持讓您感受到 專業的銷售團隊,耐心為您解答任何疑問,讓您的
前所未有的后顧無憂. 消費得到保障.
3.質量保證,誠信為上 4.提升業績,降低成本
我司以“以科技為動力,以質量求生存”為理念. 為您的產品量身訂制,免費取樣,
為您做到低成本,高效率.

全方位技術指導,專業的技術支持讓您感受到 專業的銷售團隊,耐心為您解答任何疑問,讓您的
前所未有的后顧無憂. 消費得到保障.
3.質量保證,誠信為上 4.提升業績,降低成本
我司以“以科技為動力,以質量求生存”為理念. 為您的產品量身訂制,免費取樣,
為您做到低成本,高效率.

| 深圳市康華爾電子有限公司 |
| 電 話: +86-755-27838351 |
| 手 機:13823300879 |
| 傳 真: +86-755-27883106 |
| Q Q: 632862232 |
| MSN: konuaer@163.com |
| E-mail:konuaer@163.com |
| 網 址:http://www.zzlyqc.cn |
| 地 址:廣東深圳市寶安寶安大道東95號浙商銀行大廈1905 |








銷售代表
售后服務