產品系列
- 32.768KHz
- 石英晶振
- 貼片晶振
- 聲表面濾波器
- 陶瓷晶振
- 陶瓷霧化片
- 陶瓷濾波器
- 微孔霧化片
- CTS晶振
- KDS晶振
- 愛普生晶振
- 西鐵城晶振
- 精工晶體
- 村田晶振
- 京瓷晶振
- DST310S晶振
- 日本大河晶體
- NDK晶振
- 亞陶晶振
- 日本富士晶振
- NAKA晶振
- SMI晶振
- NKG晶振
- NJR晶振
- Q-Tech晶振
- ABRACON晶振
- VECTRON晶振
- JAUCH晶振
- ConnorWinfield晶振
- Rakon晶振
- ECS晶振
- Greenray晶振
- ECLIPTEK晶振
- GOLLEDGE晶振
- STATEK晶振
- Pletronics晶振
- SITIME晶振
- Microcrystal晶振
- RALTRON晶振
- AEK晶振
- AEL晶振
- ILSI晶振
- FOX晶振
- fujicom晶振
- CRYSTEK晶振
- interquip晶振
- Geyer晶振
- quartzcom晶振
- qantek晶振
- EUROQUARTZ晶振
- quarztechnik晶振
- Cardinal晶振
- FRE-TECH晶振
- KVG晶振
- wi2wi晶振
- Transko晶振
- suntsu晶振
- mmdcomp晶振
- MERCURY晶振
- MTRONPTI晶振
- ACT晶振
- MTI晶振
- Lihom晶振
- Rubyquartz晶振
- Oscilent晶振
- SHINSUNG晶振
- ITTI晶振
- PDI晶振
- IQD晶振
- Microchip晶振
- Silicon晶振
- Anderson晶振
- Fortiming晶振
- CORE晶振
- NIPPON晶振
- NIC晶振
- QVS晶振
- Bomar晶振
- Bliley晶振
- GED晶振
- FILTRONETICS晶振
- STD晶振
- Wenzel晶振
- NEL晶振
- EM晶振
- PETERMANN晶振
- FCD-Tech晶振
- HEC晶振
- FMI晶振
- Macrobizes晶振
- AXTAL晶振
- SUNNY晶振
- ARGO晶振
- Renesas瑞薩晶振
- SKYWORKS晶振
- NSK晶振
- 臺灣加高諧振器
- 臺灣鴻星晶體
- TXC晶振
- 臺灣希華晶振
- 臺灣泰藝晶體
- AKER晶振
晶振廠家
進口晶振
歐美晶振
臺產晶振
Tel:0755-27838351
Add:廣東深圳市寶安區67區留仙一路甲岸科技園3棟5樓
Email:konuaer@163.com
QQ:632862232
晶振官方博客
更多>>.jpg)
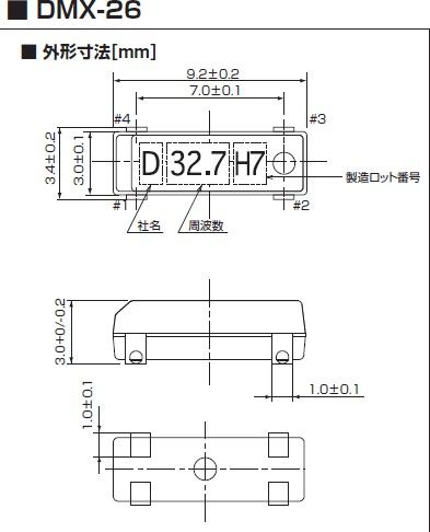
移動通信設備晶振,DMX-26諧振器,音叉水晶振蕩子,本產品具有小型,薄型,輕型的貼片晶振表面型音叉式石英晶體諧振器,產品具有優良的耐熱性,耐環境特性,可發揮晶振優良的電氣特性,符合RoHS規定,滿足無鉛焊接的高溫回流溫度曲線要求,金屬外殼的封裝使得產品在封裝時能發揮比陶瓷諧振器外殼更好的耐沖擊性.
.gif)
| 規格參數 | DMX-26 | |
| 頻率范圍 | 32.768KHZ | |
| 負載電容 | 12.5pF | |
| 振蕩功率 | 1.0 uW(2.0 uW max) | |
| 周波數許容偏差 | ± 30 × 10-6(at 25℃) | |
| 二次溫度系數 | -0.04 ×10-6/℃2 max | |
| 存儲溫度 | -40~+85℃ | |
| 工作溫度 | -40~+85℃ | |
| 并列電容 | 1.4 pF typ | |
.gif)
.jpg)

.jpg)
經由不同的石英切割角度及不同電極型狀的電場效應, 石英芯片展現了各種不同的振動模態. 以經常產生的振動模態可以概分為擾曲模態(flexure mode), 伸縮模態(extension mode), 面剪切模態(face shear mode) 和 厚度剪切模態(thickness shear mode). 這幾種振動模態以簡單的方法在表一中可以看到. 在實際狀況中, 石英芯片并不是一定祇有單一種振動模態, 而可能有多種模態同時存在在一個石英芯片的振蕩中, 經由適當的設計, 可以壓制其它不希望產生的振動模態(unwanted mode), 來達到主要振動模態的最佳化.



自1959年成立以來,大真空集團參與電子設備的存在誤傷.我們開發、生產和銷售水晶設備多樣化的應用程序滿足時代的要求,從彩電、石英鐘表/手表、公民樂隊(CB)收音機、錄像機、家庭視頻游戲機,個人電腦、手機、數碼相機、汽車電子和智能手機.隨著我們的社會越來越依賴電子產品,水晶設備市場預計將進一步增長,與更廣泛的應用,如可穿戴計算機一次性密碼(OTP)智能卡和自動駕駛系統.
在水晶設備業務的所有階段,包括開發、制造和銷售,大真空集團促進環境管理的可持續性,從而建立其環境的愿景.這個愿景提出了策略四個方面:1)將環境因素集成到產品,例如,通過減少物質的使用與環境影響;2)將環境因素集成到業務活動,例如,由追求產量,這將有助于緩解全球變暖,減少廢物的排放;3)溝通,比如社區清理我們的商業網站;4)環境管理,如建立集團環境管理體系和結構,并提供環境教育項目.
這些環境管理活動規定在我們中期到長期的環境行動計劃2014年到2016年.按照這個計劃,我們將加強我們對全球環境保護的努力.
我們希望這環境報告將加深我們的理解環境保護活動.

1.技術支持 2.客服咨詢
全方位技術指導,專業的技術支持讓您感受到 專業的銷售團隊,耐心為您解答任何疑問,讓您的
前所未有的后顧無憂. 消費得到保障.
3.質量保證,誠信為上 4.提升業績,降低成本
我司以“以科技為動力,以質量求生存”為理念. 為您的產品量身訂制,免費取樣,
為您做到低成本,高效率.

全方位技術指導,專業的技術支持讓您感受到 專業的銷售團隊,耐心為您解答任何疑問,讓您的
前所未有的后顧無憂. 消費得到保障.
3.質量保證,誠信為上 4.提升業績,降低成本
我司以“以科技為動力,以質量求生存”為理念. 為您的產品量身訂制,免費取樣,
為您做到低成本,高效率.

| 深圳市康華爾電子有限公司 |
| 電 話: +86-755-27838351 |
| 手 機:13823300879 |
| 傳 真: +86-755-27883106 |
| Q Q: 632862232 |
| MSN: konuaer@163.com |
| E-mail:konuaer@163.com |
| 網 址:http://www.zzlyqc.cn |
| 地 址:深圳市寶安區67區留仙一路甲岸科技園3棟 |







銷售代表
售后服務